Anders als herkömmliche Kunststoffe wird biologisch Abbaubares Plastik im Boden zersetzt. Doch wie gut verwandeln Mikroben das Plastik wirklich in Biomasse und CO2? Um das nachzuverfolgen, haben Forscher ein neues Verfahren erprobt, den Abbau im Boden zu quantifizieren.
Die Landwirtschaft verwendet im grossen Stil Mulchfolien, hier zum Schutz der Erdbeerbeerpflanzen. Nicht alle sind wirklich biologisch abbaubar.
(Bild: Olga - stock.adobe.com)
Zürich/Schweiz – Die moderne Landwirtschaft verwendet viel Plastik, insbesondere in Mulchfolien, mit denen Bauern den Ackerboden abdecken. Das schützt Kulturen vor Austrocknung, unterdrückt die Verbreitung von Unkräutern und fördert das Wachstum von Nutzpflanzen. Für Landwirte ist es allerdings meist sehr aufwändig und kostspielig, die konventionellen Folien aus Polyethylen (PE) einzusammeln und zu entsorgen. Außerdem ist ein komplettes Einsammeln der dünnen PE-Folien nicht möglich, da sie leicht zerreißen: Es bleibt also PE auf und in den Böden zurück und reichert sich dort an, da der Kunststoff nicht abgebaut wird.
Als Alternativen bieten sich biologisch abbaubare Mulchfolien an, weil davon – im Gegensatz zu PE-Folien – keine Polymerbestandteile in der Umwelt verbleiben. Biologisch abbaubare Polymere sind bewusst so konzipiert, dass Mikroorganismen sie nutzen können, um Energie zu gewinnen und Zellmasse aufzubauen. Solche Polymere haben chemische Sollbruchstellen in ihrer Gerüststruktur. Natürlich vorkommende Mikroorganismen, zum Beispiel in Böden, können Enzyme in ihre Umgebung abgeben und damit diese Bruchstellen in den Polymeren angreifen und spalten. Die freigesetzten Bruchstücke werden dann von den Mikroben aufgenommen und letztendlich zum Endprodukt CO2 veratmet.
Der Nachweis, dass sich CO2 bildet, ist daher sehr wichtig, denn es gibt neben tatsächlich bioabbaubaren Kunststoffen auch solche auf Basis von PE, die aufgrund bestimmter Zusätze nur in sehr kleine, mit bloßem Auge nicht mehr sichtbare Mikroplastikpartikel zerfallen. Diese werden nicht durch Mikroorganismen abgebaut und reichern sich in der Umwelt an.
Was ist tatsächlich biologisch abbaubares Polymer?
Den Bioabbau von Polymeren vollumfänglich nachzuweisen und zu erfassen, war mit existierenden Methoden bislang nicht möglich. Nun hat die Gruppe Umweltchemie der ETH Zürich in den vergangenen Jahren einen neuen Ansatz entwickelt, um nachzuverfolgen und zu messen, ob und bis zu welchem Grad ein Polymer im Boden biologisch abgebaut wird. Die Resultate könnten die Art und Weise, wie der biologische Abbau von Polymeren in Zukunft untersucht wird, verändern.
Der Ansatz beruht darauf, dass Polymere mit stabilen Kohlenstoff-Isotopen (13C) markiert werden. Dies erlaubt es den Forschern, den 13C-Kohlenstoff des Polymers während des biologischen Abbaus im Boden gezielt und selektiv zu verfolgen und somit eindeutig nachzuweisen, dass der biologische Abbau tatsächlich stattfindet.
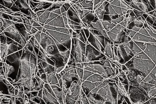
Elektronenmikroskopieaufnahme der Oberfläche eines PBS-Films nach sechswöchiger Inkubation im Boden: Die Oberfläche des PBS ist durch besiedelte Pilze und Bakterien bereits merklich abgebaut.
(Bild: Michael Zumstein)
Bislang wurden für die Prüfung der biologischen Abbaubarkeit von Kunststoffen nur Polymere verwendet, die nicht mit Isotopen markiert wurden. Ein Polymer (oder ein Plastikmaterial, das aus einem oder mehreren Polymeren besteht) wird dann als biologisch abbaubar zertifiziert, wenn während einer definierten Inkubationszeit eine Mindestmenge des Polymerkohlenstoffs in CO2 umgewandelt wird. Die Norm für biologisch abbaubare Mulchfolien etwa erfordert Bodeninkubationen, bei denen mindestens 90 Prozent des Mulchfolien-Kohlenstoffs über einen Zeitraum von zwei Jahren zu CO2 „mineralisiert“ wird.
Diese Testverfahren sind mittlerweile etabliert und zweckmäßig, um die Polymermineralisierung nachzuweisen. Allerdings erfassen sie nicht den gesamten biologischen Abbau, da nur die CO2-Bildung gemessen wird. Die Menge des Polymerkohlenstoffs, die am Ende der Inkubationszeiten im Boden verbleibt, konnten Forscher mit bisherigen Standardverfahren nicht erfassen. Zudem blieb unklar, ob dieser verbleibende Kohlenstoff weiterhin in Form des Polymers vorlag oder ob Mikroorganismen ihn bereits in ihre Biomasse aufgenommen haben.
Der von den ETH-Forschern und ihren Kollegen entwickelte Ansatz beseitigt diese Unklarheiten. In ihren Tests verwendeten sie 13C markiertes Polybutylensuccinat (PBS). PBS ist ein kommerziell wichtiger biologisch abbaubarer Polyester, der auch in Mulchfolien verwendet wird. Das Kohlenstoffisotop im PBS verfolgten die Wissenschaftler während des biologischen Abbaus selektiv: Neben der Bestimmung der Mineralisierung zu 13CO2 erstellten die Autoren vollständige Massenbilanzen für den PBS-Kohlenstoff, indem sie die nach den Inkubationen im Boden verbleibende Restmenge des aus dem PBS stammenden 13C ermittelten.
„Für uns war es erfreulich, geschlossene Kohlenstoff-Massenbilanzen über die 425 Tage der Bodeninkubation zu sehen“ sagt der Erstautor der Studie, Taylor Nelson, der in der Gruppe Umweltchemie doktoriert hat. „Dies zeigte, dass wir genau bestimmen können, wo der Polymer-Kohlenstoff endet – zu ungefähr zwei Dritteln im CO2 und zu einem Drittel im Boden – und das über diese sehr langen Inkubationszeiten.“
Stand: 08.12.2025
Es ist für uns eine Selbstverständlichkeit, dass wir verantwortungsvoll mit Ihren personenbezogenen Daten umgehen. Sofern wir personenbezogene Daten von Ihnen erheben, verarbeiten wir diese unter Beachtung der geltenden Datenschutzvorschriften. Detaillierte Informationen finden Sie in unserer Datenschutzerklärung.
Einwilligung in die Verwendung von Daten zu Werbezwecken
Ich bin damit einverstanden, dass die Vogel Communications Group GmbH & Co. KG, Max-Planckstr. 7-9, 97082 Würzburg einschließlich aller mit ihr im Sinne der §§ 15 ff. AktG verbundenen Unternehmen (im weiteren: Vogel Communications Group) meine E-Mail-Adresse für die Zusendung von redaktionellen Newslettern nutzt. Auflistungen der jeweils zugehörigen Unternehmen können hier abgerufen werden.
Der Newsletterinhalt erstreckt sich dabei auf Produkte und Dienstleistungen aller zuvor genannten Unternehmen, darunter beispielsweise Fachzeitschriften und Fachbücher, Veranstaltungen und Messen sowie veranstaltungsbezogene Produkte und Dienstleistungen, Print- und Digital-Mediaangebote und Services wie weitere (redaktionelle) Newsletter, Gewinnspiele, Lead-Kampagnen, Marktforschung im Online- und Offline-Bereich, fachspezifische Webportale und E-Learning-Angebote. Wenn auch meine persönliche Telefonnummer erhoben wurde, darf diese für die Unterbreitung von Angeboten der vorgenannten Produkte und Dienstleistungen der vorgenannten Unternehmen und Marktforschung genutzt werden.
Meine Einwilligung umfasst zudem die Verarbeitung meiner E-Mail-Adresse und Telefonnummer für den Datenabgleich zu Marketingzwecken mit ausgewählten Werbepartnern wie z.B. LinkedIN, Google und Meta. Hierfür darf die Vogel Communications Group die genannten Daten gehasht an Werbepartner übermitteln, die diese Daten dann nutzen, um feststellen zu können, ob ich ebenfalls Mitglied auf den besagten Werbepartnerportalen bin. Die Vogel Communications Group nutzt diese Funktion zu Zwecken des Retargeting (Upselling, Crossselling und Kundenbindung), der Generierung von sog. Lookalike Audiences zur Neukundengewinnung und als Ausschlussgrundlage für laufende Werbekampagnen. Weitere Informationen kann ich dem Abschnitt „Datenabgleich zu Marketingzwecken“ in der Datenschutzerklärung entnehmen.
Falls ich im Internet auf Portalen der Vogel Communications Group einschließlich deren mit ihr im Sinne der §§ 15 ff. AktG verbundenen Unternehmen geschützte Inhalte abrufe, muss ich mich mit weiteren Daten für den Zugang zu diesen Inhalten registrieren. Im Gegenzug für diesen gebührenlosen Zugang zu redaktionellen Inhalten dürfen meine Daten im Sinne dieser Einwilligung für die hier genannten Zwecke verwendet werden. Dies gilt nicht für den Datenabgleich zu Marketingzwecken.
Recht auf Widerruf
Mir ist bewusst, dass ich diese Einwilligung jederzeit für die Zukunft widerrufen kann. Durch meinen Widerruf wird die Rechtmäßigkeit der aufgrund meiner Einwilligung bis zum Widerruf erfolgten Verarbeitung nicht berührt. Um meinen Widerruf zu erklären, kann ich als eine Möglichkeit das unter https://contact.vogel.de abrufbare Kontaktformular nutzen. Sofern ich einzelne von mir abonnierte Newsletter nicht mehr erhalten möchte, kann ich darüber hinaus auch den am Ende eines Newsletters eingebundenen Abmeldelink anklicken. Weitere Informationen zu meinem Widerrufsrecht und dessen Ausübung sowie zu den Folgen meines Widerrufs finde ich in der Datenschutzerklärung, Abschnitt Redaktionelle Newsletter.
Wir können nun systematisch prüfen, welche Bodenbedingungen und Polymereigenschaften einen vollständigen biologischen Abbau der Polymere zu CO2 und zu mikrobieller Biomasse ermöglichen.
Michael Sander Professor in der Gruppe Umweltchemie an der ETH Zürich
Die Forscher wollten zudem wissen, in welcher Form der durch PBS zugesetzte Kohlenstoff im Boden verbleibt, also wie viel in die mikrobielle Biomasse eingebaut wurde und wie viel noch als Rest-PBS vorhanden war.
Um diese Frage zu beantworten, extrahierten und bestimmten die Studien-Autoren das restliche PBS aus dem Boden. Dabei zeigte sich, dass der meiste Kohlenstoff zwar noch als PBS vorlag, dass aber auch ein beträchtlicher Anteil in die mikrobielle Biomasse eingebaut wurde, nämlich sieben Prozent des zugegebenen PBS-Kohlenstoffs.
Plastikverschmutzung reduzieren
Die Möglichkeit, genau zu bestimmen, wieviel Polymer verbleibt und wieviel Polymerkohlenstoff in Biomasse eingebaut wurde, ist essenziell für künftige Studien und die Entwicklung neuer biologisch abbaubarer Polymere: „Wir können nun systematisch prüfen, welche Bodenbedingungen und Polymereigenschaften einen vollständigen biologischen Abbau der Polymere zu CO2 und zu mikrobieller Biomasse ermöglichen – und wir können Faktoren bewerten, die den biologischen Abbau der Polymere im Laufe der Zeit möglicherweise verlangsamen“, erklärt Michael Sander, ETH-Professor in der Gruppe Umweltchemie.
Diese Arbeit ist bereits im Gange: Mit dem neuen Ansatz untersucht die Gruppe zurzeit den biologischen Abbau von weiteren Polymeren in unterschiedlichen landwirtschaftlichen Böden, auch im Freiland. „Damit wollen wir sicherstellen, dass bioabbaubare Polymere ihren Namen verdienen und nicht in der Umwelt zurückbleiben“, sagt Kristopher McNeill, Professor für Umweltchemie der ETH Zürich und Leiter der gleichnamigen Forschungsgruppe.
„Der Ersatz herkömmlicher durch biologisch abbaubare Polymere kann dazu beitragen, die Plastikverschmutzung zu verringern, insbesondere für Anwendungen, in denen Polymere direkt in der Umwelt verwendet werden und eine hohe Wahrscheinlichkeit besteht, dass die Polymere nach der Anwendung dort verbleiben“, betont Sander.